0,75kW 2870rpm T3A71C-2 230/400V B35, termok-t - kolmefaasiline asünkroonmootor lühisrootoriga, mis on valmistatud pulbervärviga alumiiniumist korpusest. Vastab IE3 efektiivsusklassi, IEC 60034, AS1359, BS5000 standarditele ja CE-märgistuse direktiividele.
Mootor on mõeldud normaalseteks töötingimusteks.
Isolatsiooni kuumakindluseklass F.
Tolmu ja vee kaitseklass IP55.
Mootor on varustatud termokontaktiga.
Mootori kinnitusvõimalused: B35 (kombineeritud).
Põhiandmed 50 Hz võrgusageduse kohta:
Nimivõimsus: 0,75 kW
Nominaalne pöörlemiskiirus: 2870 p/min
Toitepinge: 3х230/400V ± 10%, 50Hz
Mootori töörežiim: S1 (püsiv)
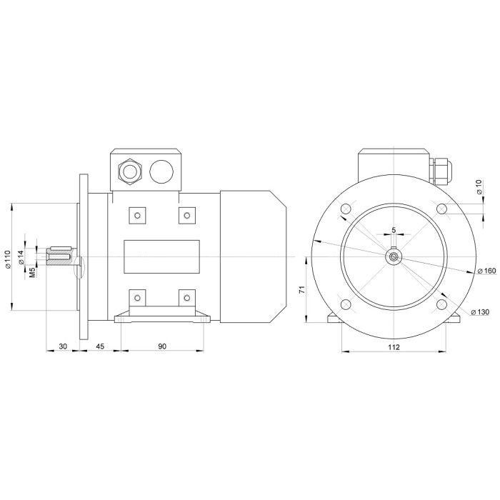
Peamised ühendus- ja paigaldusmõõtmed on antud lisatud failis.
Mootor on mõeldud normaalseteks töötingimusteks.
Isolatsiooni kuumakindluseklass F.
Tolmu ja vee kaitseklass IP55.
Mootor on varustatud termokontaktiga.
Mootori kinnitusvõimalused: B35 (kombineeritud).
Põhiandmed 50 Hz võrgusageduse kohta:
Nimivõimsus: 0,75 kW
Nominaalne pöörlemiskiirus: 2870 p/min
Toitepinge: 3х230/400V ± 10%, 50Hz
Mootori töörežiim: S1 (püsiv)
Peamised ühendus- ja paigaldusmõõtmed on antud lisatud failis.
| Omadused | |
| Kinnitatava elektrimootori kinnitusversioon | 71B5 |
| Mootori kiirus, p/min | 2p -kuni 3000 p/min |
| Mootori paigaldamise versioon | B35 jalad/suur flanš |
| Mootori võimsus, kW | 0,75kW |
| Pinge, V | 3x230/400V |
Tähelepanu!
Laost otsas oleva toote hind ei pruugi olla ajakohane!


